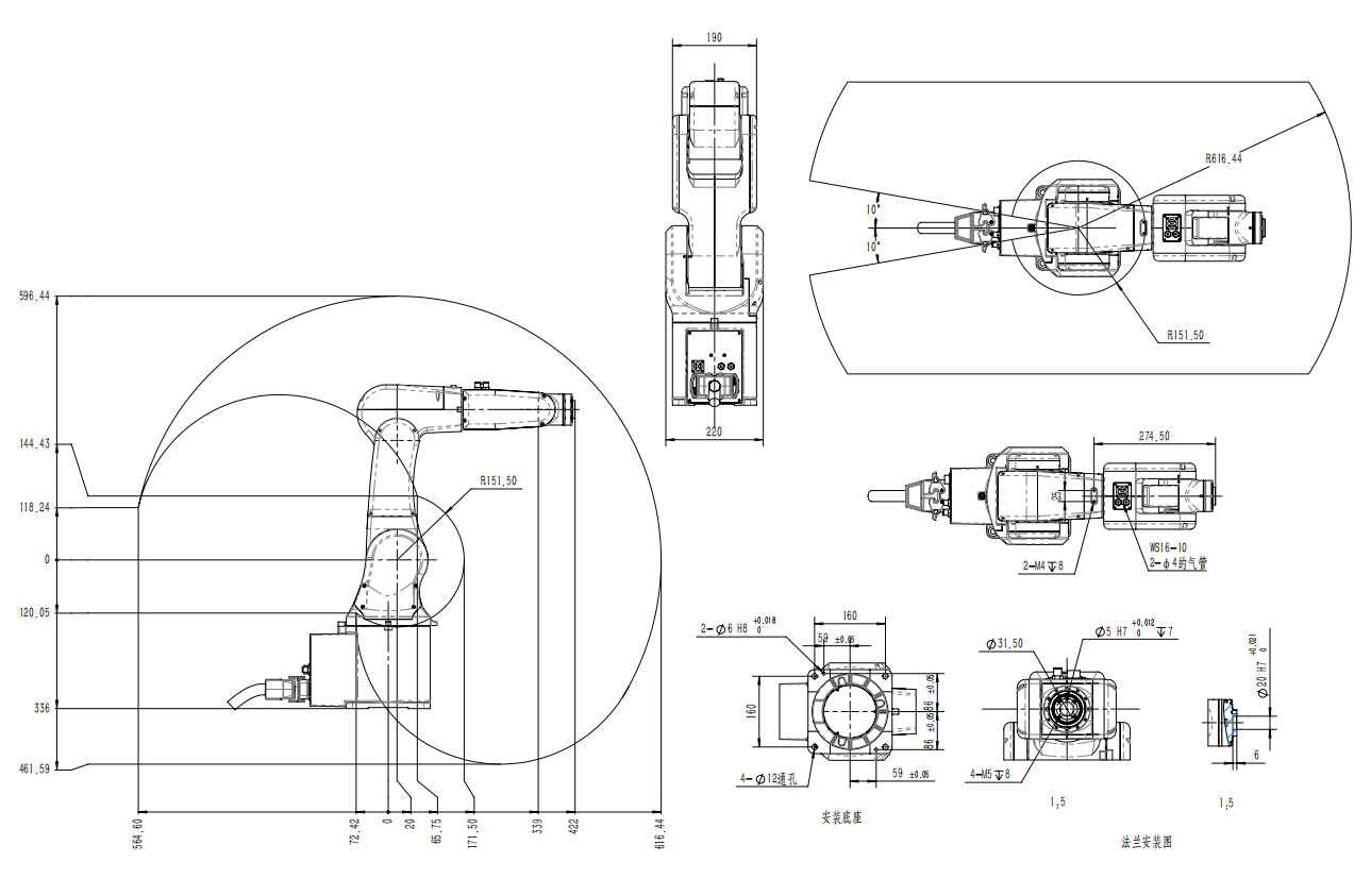
型號:TR03-610B(原TRB050) 負載:3kg 臂長:616mm

參數表
| TR03-610B | |||
| 額定負載 | 3kg | ||
| 臂長 | 616mm | ||
| 重復定位精度 | ±0.02mm | ||
| 防護等級 | IP54 | ||
| 結構形式 | 垂直多關節串聯結構 | ||
| 軸數 | 6 | ||
| 最大速度 | J1 | 450°/s | |
| J2 | 450°/s | ||
| J3 | 720°/s | ||
| J4 | 720°/s | ||
| J5 | 720°/s | ||
| J6 | 720°/s | ||
| 最大動作范圍 | J1 | ±170° | |
| J2 | -80°~120° | ||
| J3 | -75°~75° | ||
| J4 | ±120° | ||
| J5 | ±120° | ||
| J6 | ±360° | ||
| 腕部允許扭矩 | J4 | 7.38Nm |
|
| J5 | 7.38Nm | ||
| J6 | 4.45Nm | ||
| 腕部允許最大慣量 | J4 | 0.2kgm2 | |
| J5 | 0.2kgm2 | ||
| J6 | 0.067kgm2 | ||
| 額定功率 | 1.05kw | ||
| 用戶配線 | RVV10*0.2 | ||
| 用戶配管 | 2*Φ4mm | ||
| 用戶配電 | 單相AC220V-10%~+10% | ||
| 適用環境 | 運行環境溫度 | 0~45°C | |
| 環境濕度 | 10%~80%RH | ||
| 最大溫度梯度 | 1.5°C/min | ||
| 本體重量 | 35kg |
||
| 適用控制柜 | TRC4-A03 | ||
| 安裝方式 | 落地 |
||
參數圖

